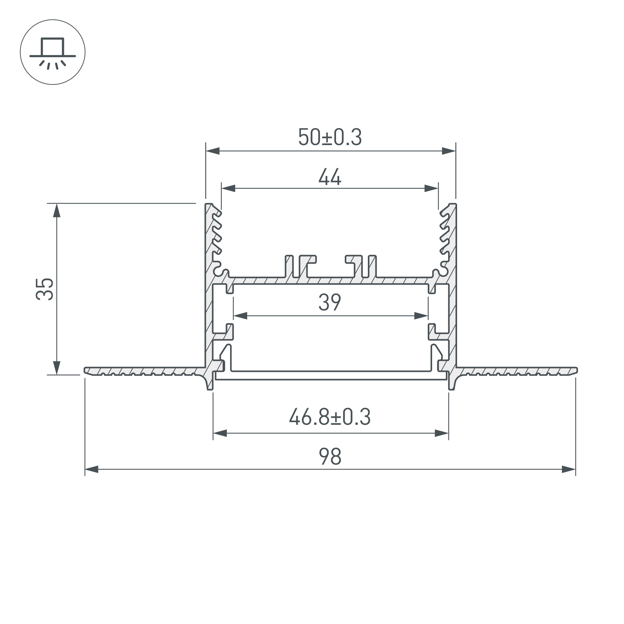
Встраиваемый профиль из анодированного алюминия со скрытым фланцем и площадкой для установки блока питания шириной 44 мм под строительную отделку устанавливается в потолки и потолочные ниши из гипсокартона для основного освещения и контурной подсветки помещений. Габаритные размеры профиля составляют 2000 мм в длину, 98 мм в ширину и 35 мм в высоту. Площадка для установки светодиодных лент позволяет использовать ленту шириной до 39 мм и мощностью до 60 Вт/м. Это обеспечивает гибкость в выборе светодиодных лент и создает потрясающие световые решения. Экраны, заглушки и другие аксессуары не включены в комплект и приобретаются отдельно. Цена указана за 1 метр профиля. Отличное решение для создания современных световых проектов. Перед установкой профиля в гипсокартон ОБЯЗАТЕЛЬНО установите в профиль экран.
Характеристики - Профиль SL-LINIA45-FANTOM-2000 ANOD (Arlight, Алюминий)
|
Единица измерения
|
м |
|
Материал корпуса
|
Алюминий |
|
Способ монтажа
|
Встраиваемый со скрытым фланцем |
|
Назначение
|
Для гипсокартонных листов |
|
Форма (сечение)
|
С фланцем |
|
Цвет покрытия
|
Серебристый |
|
Тип товара
|
Профиль |
|
Гарантийный срок
|
3 год(а) |
|
Модельный ряд
|
SL-LINIA |
|
Индивидуальная покраска
|
Возможна |
|
КПД профиля (cветовой)
|
90 % |
|
Рассеиваемая тепловая мощность на 1м
|
max: 60.8 W |
|
Ширина световой линии
|
42 мм |
|
Внешний вид поверхности
|
Матовая |
|
Покрытие поверхности
|
Анодирование |
|
Длина
|
2000 мм |
|
Ширина
|
98 мм |
|
Высота
|
35 мм |
|
Ширина площадки
|
39 мм |
|
Глубина установки источника света
|
17 мм |
|
Кратность цены за 1 м/шт
|
1 |
Услуги
Сборка светильников из алюминиевого профиля обычных и нестандартных форм: кольца, многоугольники и непрерывные линии.
Доставка
- Самовывоз
- Курьером в пределах МКАД- 1000 руб.
- Курьером в пределах ЦКАД- 2000 руб.
- Доставка в пункт выдачи Яндекс - 1 руб.
- Доставка в пункт выдачи СДЭК
- Доставка ТК КИТ
- Доставка Транспортной компанией
Гарантия
Все представленные товары на сайте сертифицированы и проходят тщательный контроль и тестирование перед поступлением в продажу.
Вы можете быть уверены в высоком качестве приобретаемого оборудования на 100%.
На все товары распространяется гарантия от производителя!
В зависимости от типа товара сроки гарантии варьируются от 6 до 60 месяцев.
Оплата
- Оплата наличными
- Оплата картой VISA, MasterCard
- Оплата на расчетный счет для ЮЛ
- Онлайн оплата на сайте
Более подробную информацию вы можете найти
в разделе Доставка и Оплата нашего сайта, или позвоните по бесплатному номеру телефона 8 (800) 550-13-59.
